Ontwerpen en ontwikkelen

Nieuwbouw woonzorgcomplex De Tol

Woonzorgcentrum de Tol Antwerpen

Slimme hybride warmte en koeling voor comfortabel wonen.

Aan de rand van het Antwerpse Rivierenhof staat Woonzorgcentrum De Tol, een energiezuinig nieuwbouwproject van Zorgbedrijf Antwerpen, uitgevoerd door aannemer Ibens, installatiebedrijf Lauryssen en Remeha. 

 

Het gebouw kreeg een slimme hybride installatie met warmtepompen, ketels en de miTera Plus-regeling, die zorgt voor efficiënte verwarming, koeling en warm water. De Tol geldt als pilotproject voor Remeha in België en is een mooi voorbeeld van hoe technologie en comfort samenkomen.

Project

  • Woonzorgcomplex
  • Nieuwbouw
  • Antwerpen

Gebruiksfunctie

  • Woonzorgcentrum
  • 120 kamers & 60 assistentiewoningen
  • Opleverjaar: 2025

Systeemoplossing

  • 1x Remeha Effenca MT 33
  • 1x Remeha Effenca MT 40
  • 2x Remeha Quinta Ace 160
  • 1x Remeha miTera Plus
  • 1x VM T-Control
  • 9x pocket-sensoren t.b.v. miTera Plus
  • 4x (ultrasonic) warmtesensor t.b.v. miTera Plus

Projectaanloop.

Slimme warmte maakt zorg groener in De Tol

Aan de rand van Provinciaal Groendomein Rivierenhof vind je Woonzorgcentrum De Tol. Dit moderne en energiezuinige woonzorgcomplex telt 120 kamers en 60 assistentiewoningen. De nieuwbouw, in opdracht van Zorgbedrijf Antwerpen en gerealiseerd door aannemer Ibens, kreeg een duurzaam verwarmings- en koelsysteem waarin comfort en efficiëntie hand in hand gaan. Remeha leverde daarvoor een hybride totaaloplossing met twee Effenca MT-warmtepompen, twee GAS 220 Ace-ketels en een miTera Plus-regeling. De installatie werd ontworpen en uitgevoerd door Lauryssen, die samen met Remeha het hydraulisch schema verder verfijnde tot een slimme, betrouwbare en toekomstgerichte installatie.
 
De Tol is een mooi voorbeeld van hoe moderne technologieën elkaar kunnen versterken. De warmtepompen verzorgen de vloerverwarming en koeling, terwijl de cv-ketels de productie van sanitair warm water op zich nemen. Daarnaast ondersteunen ze de warmtepompen bij koude piekmomenten. De miTera Plus-regeling vormt het slimme hart van het systeem en zorgt ervoor dat alles perfect op elkaar is afgestemd. Danny Goos, accountmanager bij Remeha, noemt het een bijzonder project: “Het is het eerste gebouw in België waarin we de miTera Plus als hybride manager voor de volledige primaire kring toepasten. Dankzij uitgebreide monitoring van temperatuur, verbruik en efficiëntie kan het systeem op afstand worden opgevolgd en verder geoptimaliseerd.” 
 
Comfortvraag voor een kwetsbare doelgroep
De Tol vervangt een ouder woonzorgcomplex en maakt plaats voor toekomstbestendige nieuwbouw. Vanaf de start lag de comfortvraag scherp op tafel. Veel van de oudere bewoners reageren namelijk gevoelig op luchtstromen. Zorgbedrijf Antwerpen stuurde daarom aan op een systeem waarmee vloerverwarming in de zomer ook vloerkoeling levert. Koeling en verwarming via de vloer zorgt voor een stille, gelijkmatige stijging en daling van de kamertemperatuur. Installateur Bram Geerts van installatiebedrijf Lauryssen stapte via vaste partner Ibens in het project. “Wij namen sanitair warm water en verwarming voor onze rekening,” vertelt hij. “De vraag naar rustige vloerkoeling gaf dit project extra waarde.”
 

mitera-plus-effenca-systeemoplossing

"Met miTera Plus sturen we voor het eerst in België de volledige primaire kring aan. Dankzij monitoring op afstand optimaliseren we continu."

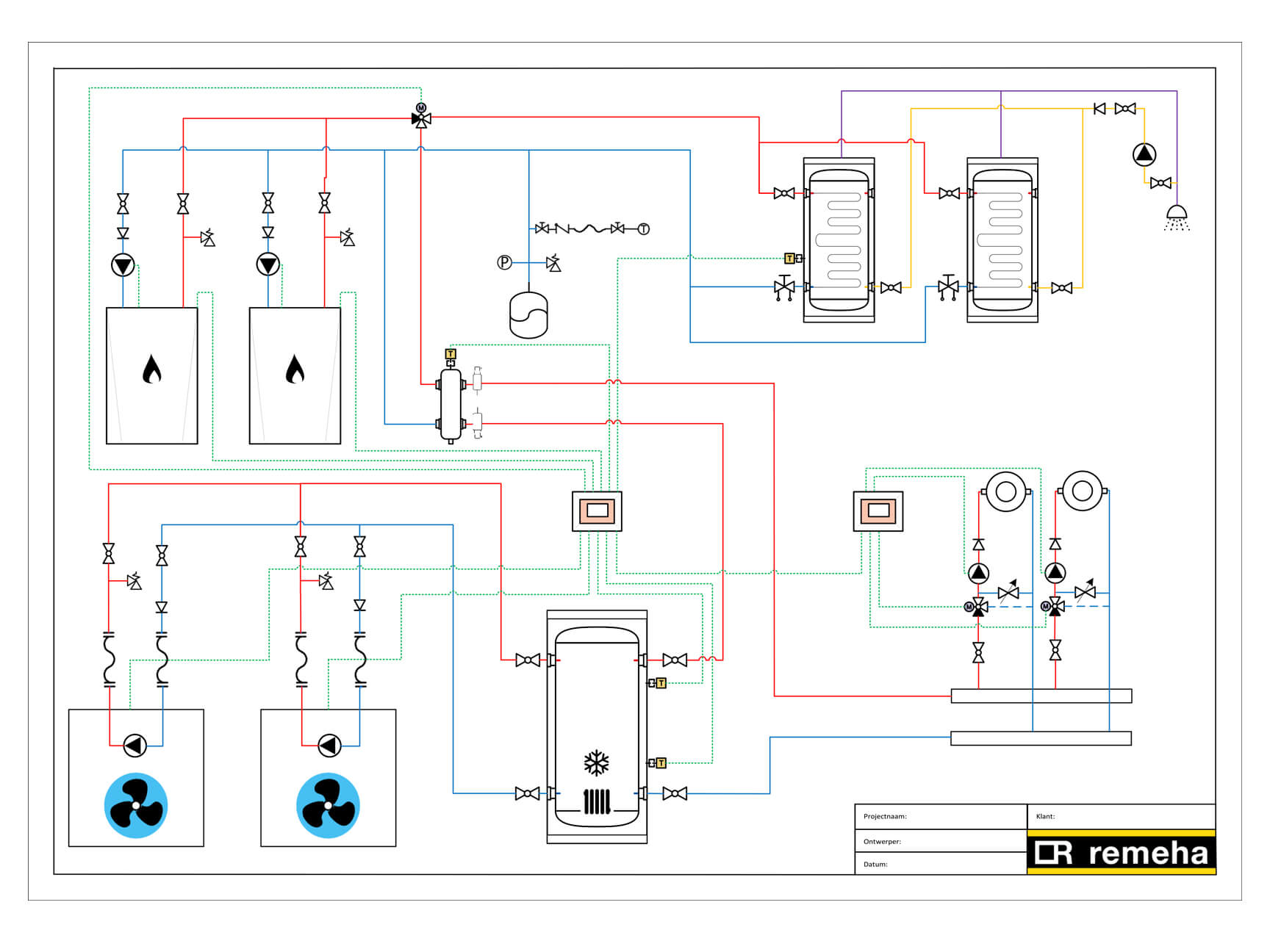
hydraulisch-schema-zorgcentrum-de-tol

Advies & ontwerp.

Eén systeem dat alles regelt.

Het ontwerp steunt op een hybride opzet waarin twee technieken elkaar aanvullen. De warmtepompen verzorgen het de centrale verwarming. De cv-ketels leveren sanitair warm water en ondersteunen tijdens de koude pieken. De miTera Plus vormt het regelhart en stemt de bronnen automatisch op elkaar af. Volgens Remeha accountmanager Goos markeert De Tol een primeur in België: “We passen miTera Plus hier voor het eerst toe als hybride manager voor een volledige primaire kring. Daarmee sturen we verwarming, koeling en warm water vanuit één regeltechnisch brein aan.”

bim-tekening-ketelhuis-De-Tol

Installatie & oplevering.

Creatief puzzelen in een compacte stookruimte.

Tijdens de uitvoering dook een praktische uitdaging op. De stookruimte bood minder ruimte dan voorzien. Installateur Geerts schakelde met het interne tekenbureau en Remeha en vond een passende opstelling. Het team plaatste de ketels rug-aan-rug in cascade met een compacte hydraulische aansluitset. Zo bleef de ruimte overzichtelijk en functioneel. Omdat de combinatie van toestellen voor iedereen nieuw was, organiseerde Remeha een trainingsdag voor alle monteurs. Daardoor startte het team goed voorbereid en liep de installatie soepel door.

 

Lauryssen neemt het onderhoud op zich. In de eerste periode blijft Remeha nauw betrokken om de pilotfase te begeleiden en leerpunten direct te vertalen naar optimalisaties. Daarna draagt Remeha de nazorg volledig over aan Lauryssen. De eerste metingen laten een stabiele werking zien. Koeling in de zomer draait zoals bedoeld. Ondertussen biedt de winterperiode ruimte om de regeling verder te verfijnen.

effenca-mt-warmtepomp-zorgcentrum-de-tol

Beheer & nazorg.

Duurzaam comfort met toekomstwaarde

Woonzorgcentrum De Tol laat zien hoe hybride techniek in de utiliteit comfort, betrouwbaarheid en efficiëntie combineert. Bewoners ervaren rustige warmte in de winter en zachte koeling in de zomer, gestuurd door één slim systeem. Voor Remeha opent De Tol de deur naar bredere toepassing in België. Het is een praktijkcase die demonstreert hoe warmtepompen, ketels en de miTera Plus samen een geïntegreerde oplossing leveren, klaar voor de volgende stap in verduurzaming.

 

Remeha labelt De Tol als pilotproject en voegde daarom extra sensoren toe. Die sensoren registreren temperaturen, debieten en energieverbruik. Remeha en BDR Thermea volgen de prestaties op afstand en scherpen instellingen stapsgewijs aan.

Adviesgesprek aanvragen

Heb je een project dat je wilt verduurzamen? Onze binnendienst en application engineers adviseren je graag bij het kiezen van het juiste model en de optimale configuratie voor jouw project.

Systeemoplossingen voor dit project

Remeha_Quinta_groot-vermogen_gasketel_frontaal

Quinta

Hoog rendement gaswandketel met een vermogen van 45 tot 115 kW. In solo en cascade-opstelling.

remeha-effenca-mt-20-40-kW-groot-vermogen-warmtepomp

Effenca MT

Lage temperatuur warmtepomp met een vermogen van 20 tot 40 kW. Optimaal rendement door inverter technologie.

miTera-plus-hybride-cascade-regelaar-frontaal-remeha-BE

miTera Plus

Modulerende hybride en cascaderegelaar voor maximaal 8 ketels.